Skip to main content

4.1 SLX-HT user manual

SLX-HT User Manual

This document is the user manual for the host component SLX-HT in the SafeLUX system

Document version:V1.0

Release Date:December 15, 2025

Publisher:EFFORT

Document Modification Record

Version Date Modified content Modifier
V1.0 20251215 First creat Mihcael

1. Safety Instructions

  • :warning: Operating Temperature Range: -20°C to 55°C. Do not use the device outside this temperature range.

  • :warning: Avoid direct sunlight exposure to prevent housing deformation and internal component damage.

  • :warning: Keep the device clean and free of dust accumulation to avoid poor heat dissipation.

  • :warning: Use only power supply units that meet the specified requirements.

  • :warning: Installation must be performed by professional personnel. Installation by non-professionals may cause equipment damage or personal injury.

  • :warning: Do not use the device in humid, dusty, or corrosive environments.

    :warning: Ensure the installation location is away from heat sources and flammable materials.

  • :warning: A reset operation will clear all connected devices. Perform this operation only when necessary and by professional personnel.

  • :warning: Implement electrostatic discharge (ESD) protection during installation.

2. Product Overview

SLX-HT.png

SLX-HT

  • The SafeLUX system host can be connected to a DALI converter through a network or 485 bus to control DALI emergency lighting fixtures or emergency drivers

  • Emergency Lighting addressable monitor center

  • Local web pages can be accessed to control devices

  • RS485 port expansion DALI bus

  • Rail mounted installation

  • 24V DC power supply

  • 1000 Mbps Ethernet

  • HDMI display driver

  • Status input port*4

  • No voltage output relay*5

  • USB Port*3

Model Description:

  • SLX:SafeLUX

  • HT:Host

Interface Definition and Layout Diagram of Indicator Lights and Buttons:

interface.png

interface

Interface No. Interface Name Terminal Type Wiring Sequence Definition Wiring Notes
1 Power Interface 2-pin Plug-in Terminal Block (0.2-1.5mm²) 1=DC+(24V)、2=DC-(GND) Do not connect to AC power.
2 RJ45 Ethernet Port RJ45 Complies with T568B wiring Use Cat5e or above shielded network cable, maximum length ≤ 100m.
3 RS485 Interface 1 3-pin Plug-in Terminal Block (0.2-1.5mm²) 1=GND、2=A、3=B A/B wires must not be reversed; add 120Ω terminal resistors at both ends of the bus.
4 RS485 Interface 2 3-pin Plug-in Terminal Block (0.2-1.5mm²) 1=GND、2=A、3=B Parallel with RS485 Interface 1
5 HDMI Interface HDMI TypeA - -
6 USB Host Interface*2 USB-A - -
7 Network segment address encoders 0-9 encoded digital encoder - -
8 Digital Input Screw Terminal Block (0.5-2.5mm²) - -
9 Relay Output Screw Terminal Block (0.5-2.5mm²) - -
10 System Button - - -
11 Test Button - - -
12 Function Button - - -
13 System Indicator Light - - -
14 Test Indicator Light - - -
15 Fault Indicator Light - - -
16 USB Host Interface USB-A - -
17 USB Slave Interface USB-B - -

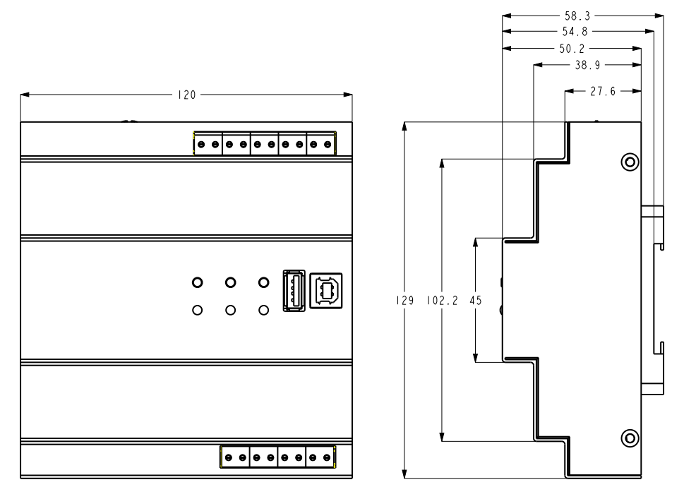
3. Mechanical Dimensions & Packaging Specifications

SLX-HT_size.png

SLX-HT_size

unit:mm

Weight per pc:

Packaging dimensions:

Packing list:

4. Installation Guide

4.1 Unboxing Inspection

  • Check the package contents: SLX-HT, installation accessories, and other necessary components.

  • Inspect the product appearance for damage.

4.2 Installation Environment Requirements

  • Ambient Temperature: -20℃ to 55℃.

  • Ambient Humidity: 10% ~ 90% RH (no condensation; do not install in humid environments such as flooded areas of basements).

  • Installation Location: Keep away from heat sources, avoid direct sunlight, and stay clear of strong electromagnetic interference sources (e.g., frequency converters, high-power motors, high-voltage cables) with a minimum distance of ≥ 1 meter.

  • Installation Method: Only supports 35mm standard DIN rail mounting.

  • Rail Thickness: 1.0 ~ 1.5mm; the bayonet must be securely fastened during installation.

  • Network Environment: The host network level should be greater than or equal to the master converter's network level. It is recommended that the host and converter be at the same network level. A local area network (LAN) with DHCP assignment capability is advised.

4.3 Power Supply and Cable Adaptation Requirements

4.3.1 Power Supply Adaptation Requirements

SLX-HT must use a DC 24V power supply that meets the following parameters:

  • Output Voltage: DC 24V (allowable range: 22.8V - 25.2V);
  • Rated Power: ≥20W (to avoid device restart due to insufficient power supply);
  • Power Supply Type: AC/DC adapter or switching power supply complying with safety standards;
  • Interface Matching: Must be used with 2-pin plug-in terminal blocks (pin spacing 5.08mm). Gold-plated terminals are recommended to reduce contact resistance.

4.3.2 Cable Selection Requirements

Cables for different interfaces shall be selected in accordance with the following specifications to avoid signal interference or transmission failures:

Interface Type Cable Specification Requirements Maximum Transmission Distance Additional Requirements
RJ45 Ethernet Port Cat5e or higher shielded network cable (CAT5e SF/UTP) ≤100 meters Waterproof cables shall be used for outdoor wiring
RS485 Interface Twisted pair shielded cable (RVSP 2×0.75mm²) ≤1200 meters The shield layer shall be single-ended grounded (ground resistance ≤4Ω)
HDMI High-speed copper cable (HDMI certified) ≤5 meters
USB Standard copper cable (AWG28-24 gauge) ≤5 meters The cable shall include four cores: D+, D-, VCC and GND; Shielded cables shall be used for lengths exceeding 3 meters

Note: For detailed technical parameters (such as power supply parameters, RS485 technical parameters, etc.), refer to the 《SLX-HT datasheet》.

4.4 Installation Steps and Wiring Instructions

  1. Select the installation location: ensure compliance with environmental requirements.

  2. Mount the host on the guide rail.

    install.png

    install

  3. Connect the host to the network router or the switch under the router via a network cable.(If it is necessary to use the network function of the host or connect to the master converter via the network)

    net_connect.png

    net_connect

  4. Connect to the sub converter via a 485 cable. (If it is necessary to connect to the sub-converter via 485)

    485_connect.png

    485_connect

  5. If an external HDMI display is required, then connect the display to the host via an HDMI cable.

    hdmi_connect.png

    hdmi_connect

  6. If the HDMI display is USB-powered (supply voltage 5V, operating current not exceeding 1A) and supports touch signal transmission via USB, connect the display's power interface to the host's USB port. If the display does not support touch, USB power supply, or its current exceeds 1A, please power the HDMI display independently, then control the HDMI display by connecting an external USB mouse and keyboard to the host's USB port.

    usb_connect.png

    usb_connect

  7. If the master converter and the host are in the same LAN segment, you can set the network segment address encoders of the master converter and the host to the same value to enable the network automatic pairing function. A.quick pairing instructions for master converters

    address_switch.png

    address_switch

  8. Connect the output interface of the power supply to the host's power supply port.

    power_connect.png

    power_connect

  9. Power on

  10. Operate the host directly through the display. Alternatively, refer to Section 5.5 Network_Instructions to access the host via a computer browser.

5. Operation Instructions

5.1 Key Functions

Key Action Description
system Long Press Reset
test Double Press All devices enter function test
test Long Press All devices enter duration test
function Single Press All devices under system execute the Identify command
function Long Press 485 bus scanning sub converter

5.2 Indicator Light Status

Indicator Status Description
system Green light solid on Working normally, no data interaction on 485 bus
system Green light turns off for 100ms once Working normally, data interaction on 485 bus
system Green light off for 100ms, on for 500ms System key long press activated
system Green light off for 500ms, on for 500ms 485 bus searching for sub converters
system Red light on for 250ms, off for 250ms Sub converter communication abnormality
test Green light off for 1000ms, on for 1000ms Some devices under duration test
faule Red light solid on Some devices faulty

5.3 Digital Input Ports

The host supports detection of 4 input ports, and the functions of the input ports can be configured via the WEB interface.

5.3.1 List of Supported Functions for Input Ports

Input Port Configuration
Not configured
Rest Mode
Maintained OFF
Maintained ON
Start function test
Stop duration test
External failure

5.3.2 Hardware Connection Method of Input Ports

External dry contact signals such as buttons can be connected to the input terminals for detecting external events (e.g., dry contact signal output of fire alarms). Among them, two groups are on-off type inputs, and the other two groups are differential loop monitoring type inputs.

5.3.2.1 On-Off Type Inputs

Input1/Input2 are on-off type inputs.

For on-off type inputs, simply connect external switches directly to the input terminals.

The schematic diagram is as follows:

input_connect_direct.png

input_connect_direct

5.3.2.2 Differential Loop Monitoring Type Inputs

Input1/Input2 are inputs equipped with differential loop detection (quiescent current). For input terminals with differential loop detection (quiescent current), a 1kΩ resistor needs to be connected in series in the loop.

The schematic diagram is as follows:

input_connect_loopmonitor.png

input_connect_loopmonitor

5.4 Relay Output Ports

  • The host is equipped with 4 groups of relay output ports.
  • External devices such as buzzers and indicator lights can be connected to the relay output ports for output control of the host's dry contact signals.
  • The relay output is of the voltage-free output type, and the connected external devices require independent power supply.
  • The host can be configured with trigger events to enable relay outputs, and the number of the relay that becomes active when the trigger event occurs can also be configured.

For example, if an output port is configured to be enabled when a device enters duration test mode, and an indicator light is connected to the corresponding relay terminal, the indicator light will turn on when a device in the system undergoes duration test.

The trigger events that can be assigned to the relay output ports are as follows:

Relay Output Port Configuration
Not configured
One device failure
Three device failure
Communication failure
Duration test
External failure
Failure function test
Failure duration test

5.5 Network Instructions

5.5.1 Description of Host Network IP and Parameter Settings

The host supports two methods for network IP and parameter settings:

  1. DHCP for network IP and parameter assignment

  2. Static settings for network IP and parameter configuration

DHCP is the default method for host network IP and parameter settings.

If you need to modify the host's network IP and parameters, refer to 5.6Host Network Parameter Configuration.


DHCP automatically assigns network IP and configuration parameters to the host via a router. It requires no manual settings from the user and enables quick network access for the device.

Static settings require the user to manually enter parameters such as IP address, subnet mask, network gateway address, and DNS server for network configuration.

:warning: If you are not familiar with network principles and allocation methods, please use the default DHCP method.

5.6 Host Network Parameter Configuration.

5.6.1 Modifying Directly via Touch Screen

This method is applicable to the hardware connection where an HDMI touch screen is externally connected to the host. You can operate the host directly through the HDMI touch screen. The host's network parameters can be modified directly in the Configuration->Network interface.

5.6.2 Modifying via WEB Page Access

This method is applicable to the hardware connection where the host is used without an externally connected HDMI touch screen. You need to access the host's WEB page via the network to modify the network parameters.

5.6.2.1 Finding the Host IP via Router Management Background

First, ensure the host is connected to the router via an Ethernet cable and powered on.


The host's network is set to DHCP (default network setting)

Then log in to the router management background, locate the device with the hostname SLX-HT-XXXX, and record its IP address.

router_management_backend.png

router_management_backend

:warning:The methods for logging in to the management background of different routers vary, and you need to consult the network administrator for the specific method.

Host network set to static IP

Directly record its static IP address.


:warning: If you have forgotten the network settings of the host, please reset the host directly to ensure its network setting is set to DHCP.

5.6.2.2 Accessing the Host's Configuration Page via Browser

Ensure the computer and the host are on the same local area network (LAN). Open a browser on the computer and enter the host's IP address recorded in Section 5.6.2.1, and the following interface will be displayed in the browser:

host_management_backend.png

host_management_backend

The host's network parameters can be modified directly in the Configuration->Network interface.

6. Testing and Verification

This product is the host of the SafeLUX system, so it needs to be used in conjunction with the master converter or sub converter of the SafeLUX system. Connect to the master converter through a network cable, or connect to the sub converter through a 485 bus. And control the DALI bus through a converter to control DALI terminals or obtain DALI terminal information.

After adding a converter to the SafeLUX system, you can control the converter and the DALI lamps mounted under the converter DALI bus on the SafeLUX system page.

For more information, please refer to the SafeLUX host user manual, SafeLUX system user manual, and other related documents.

Basic Verification Steps:

  1. Hardware connect

  2. Power on the system

  3. Log in to the host system

  4. Access the device management page

  5. Add the master converter (Add master converter via network or sub converter via 485 Bus)(If the host and the master converter are on the same local area network (LAN), automatic converter addition is available)

  6. Perform other operations

7. Troubleshooting

Troubleshooting Based on Indicator Light Status and Description

Phenomenon Troubleshooting Directions
System indicator light: red light on for 250ms, off for 250ms Sub converter communication abnormality: 1. Check if the 485 bus connected to the sub converter is properly connected. 2. Check if the sub converter is powered off or abnormal.
Fault indicator light: red light always on Check if there is any device failure, loss, or converter loss in the system.

7.2 Common Questions Q&A

Q:What if the host IP changes after restart?
A:Set IP binding in the router to associate the gateway MAC with a fixed IP.

8. Technical Support and Maintenance

  • Technical support email:technical@effortled.com

  • Daily maintenance cycle (clean the dust from the gateway's heat dissipation holes every 3 months; check if the wiring terminals are loose every 6 months);

  • Firmware upgrade method (Host WEB page -> Configuration -> Update -> Upload firmware);