3.1 SLX-HT datasheet
SLX-HT Datasheet
This document is the datasheet for the host component SLX-HT in the SafeLUX system
Document version:V1.0
Release Date:December 15, 2025
Publisher:EFFORT
Document Modification Record
| Version | Date | Modified content | Modifier |
|---|---|---|---|
| V1.0 | 20251215 | First creat | Mihcael |
1. Product Overview
SLX-HT
The SafeLUX system main controller can be connected to a DALI converter through a network or 485 bus to control DALI emergency lighting fixtures or emergency drivers
Emergency Lighting addressable monitor center
Local web pages can be accessed to control devices
RS485 port expansion DALI bus
Rail mounted installation
24V DC power supply
1000 Mbps Ethernet
HDMI display driver
Status input port*4
No voltage output relay*5
USB Port*3
Model Description:
SLX:SafeLUX
HT:Host
2. Technical Specifications
| Power Port Specifications | |
| Power supply method | DC |
| Input voltage range | 22.8V-25.2V |
| Typical Operating Power | 5W |
| Full-load Operating Power | 15W |
| Reverse connection protection | Support |
| Interface type | 5.08mm pitch plug-in terminal block(2 pin) |
| Interface type | 5.08mm pitch plug-in terminal block(2 pin) |
| Wiring width | 0.2 - 1.5 mm^2 |
| Controller parameters | |
| Controller type | Quad-core Cortex A72 64bit Soc |
| Clock rate | 1.5 Ghz |
| Memory | 4G RAM + 32G EMMC |
| Network Interface Specifications | |
| Interface type | RJ45 |
| Network speed | 10/100/1000Mbps auto-negotiation |
| Communication standard | IEEE 802.3u |
| Duplex Mode | Full Duplex/Half Duplex auto-negotiation |
| Wiring Type | Straight-Through/Crossover Cable Auto-Adaptive |
| RS485 Interface Specifications | |
| Interface type | 3.50mm pitch plug-in terminal block(3 pin) |
| Wiring width | 0.2 - 1.5 mm^2 |
| Communication standard | Modbus |
| Baudrate | 9600bps |
| Data bits/stop bits | 8/1 |
| Parity | NONE |
| Maximum load quantity | 15 |
| Opto-Isolation | Supports 3750V Opto-Isolation |
| Termination Resistor | No 120Ω Termination Resistor |
| HDMI Interface Specifications | |
| HDMI version | HDMI 2.0 (Compatible with HDMI 1.4) |
| Resolution | 4K@60Hz (YCbCr 4:2:0), 4K@30Hz (RGB 4:4:4) |
| Signal transmission distance | ≤15 meters (Cat2 HDMI Cable), ≤30 meters (Fiber Optic HDMI Cable) |
| Physical characteristics | Supports hot plugging |
| USB Interface Specifications | |
| USB interface type | USB 2.0 |
| Number of interfaces | 3 |
| Data transfer rate | Up to 480 Mbps |
| Power supply capacity | 5V/1A |
| Transmission distance | ≤5 meters |
| Physical characteristics | Supports hot plugging |
| Relay Output Port Specifications | |
| Number of channels | 4 Channels |
| Rated operating voltage | 24V |
| Rated operating current | 1A |
| Maximum switching current | 1A |
| Output type | Voltage-Free output;2 Normally open (NO);2 Configurable (NO/NC) |
| Output configuration support | Support |
| Interface type | Screw-Type Terminal Block |
| Wiring width | 0.5 - 2.5 mm^2 |
| Digital Input Port Specifications | |
| Number of channels | 4 Channels |
| Input type | 2 Differential loop monitoring inputs (1KΩ resistor required in series for short-circuit loop); 2 On-Off type inputs |
| Input configuration support | Support |
| Interface type | Screw-Type Terminal Block |
| Wiring width | 0.5 - 2.5 mm^2 |
| Other Specifications | |
| Maximum number of devices supported by the system | 10,000 Units |
| Operating temperature range | -10°C to +55°C |
| Storage temperature range | -20°C to +70°C |
| Electromagnetic compatibility (EMC) | EN 61000-6-2 / EN 61000-6-4 |
| Ingress protection (IP) rating | IP30 (Dust-proof, not water-proof, suitable for indoor cabinets) |
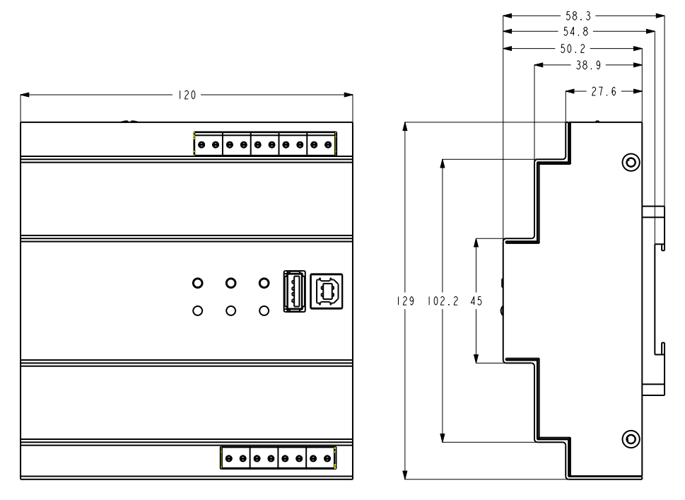
3. Mechanical Dimensions & Packaging Specifications
SLX-HT_size
unit:mm
Weight per pc:
Packaging dimensions:
Packing list:
4. Certifications
CB
5. Appendix Notes
This product is the host of the SafeLUX system, so it needs to be used in conjunction with the master converter or sub converter of the SafeLUX system. Connect to the master converter through a network cable, or connect to the sub converter through a 485 bus. And control the DALI bus through a converter to control DALI terminals or obtain DALI terminal information.
After adding a converter to the SafeLUX system, you can control the converter and the DALI lamps mounted under the converter DALI bus on the SafeLUX system page.
safelux
SafeLUX is a locally deployed emergency lighting management system consisting of a central CPU controller and busscalable gateways,which with an open API and it can control 10000+ DALI-2 emergency devices and can provide local website services.
SafeLUX system features:
Support EMERGENCY LINGHT TESTING
DALI2 CONNECT:SUPPORT DALI DT1 DEVICE
Using HIGH PERFORMANCE CPU: SUPPORT 10000+ DEVICE
Support BUS EXPANSION TECHNOLOGY
EMERGENCY LINGHT TESTING supports the following functions:
Lamp instruction control
Real time detection of lamp status
Automatically collect test results
Test sequence setting
Architectural map
Support sending emails
Historical event records
API Data Interface
SafeLUX host web support features:
safelux_function_list
For more information, please refer to the SafeLUX host user manual, SafeLUX system user manual, and other related documents.
No comments to display
No comments to display